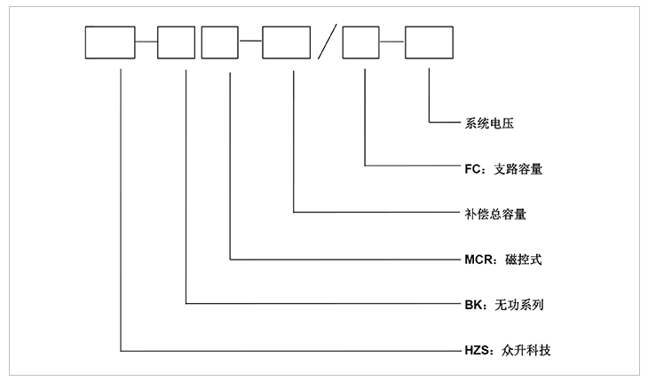
高壓MCR動態無功補償裝置
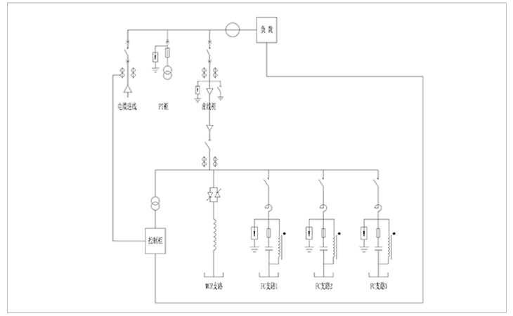
MCR型高壓動態無功補償成套裝置適用于35kv、110kv、330kv變電站6-35kv母線的動態無功補償,通過自動調節MCR的感性無功,實現平滑穩定系統的功率因數和無功需求;減少系統電壓波動,穩定系統電壓,降低系統電壓閃變,提高供電電壓質量。特別適合負荷變化快,要求補償精度高的場合,廣泛應用于具有電弧爐、軋機、礦井提升機、電力機車、電焊機等大型無功沖擊設備的企業用戶和電力企業220kv、110kv、35kv變電站。裝置FC支路可根據系統情況做成固定或自動電容器組濾波通道等。


1:控制系統采用基于DSP芯片的多CPU控制器,具有高度的穩定性,而且運算速度快,能夠實
現復雜的算法。
2:模塊化設計,擴展靈活。
3:可控硅采用高質量元件,高壓取能,光電觸發,BOD保護,系統抗干擾強。
4:監控部分有上位監控機、人機顯示界面及其它相應終端器件構成,可以對系統電能質量進行持續監控。
6:可直掛6kv、10kv、27.5kv、35kv等級。
7:可實現三相同時控制、分相控制、三相平衡控制。
8:過壓、過流、速斷、兩段過流、零序電壓、差電流等保護機制。
一:工作環境條件
a.室外環境空氣溫度:-35℃~+45℃
b.環境空氣相對濕度:40℃時為20%~90%;
c.大氣壓力:海拔2000米及以下。
二:周圍環境要求
a.不允許有較強的振動與沖擊;
b.不允許有腐蝕和破壞絕緣的氣體、導電介質、含有危險的介質存在,不允許有嚴重的霉菌存在。
1:電壓等級:6kv-35kv。
2:動態響應時間:<100ms。
3:無功調節范圍0-100%,使用后的功率因數達到0.94以上。
4:符合國家要求的三相平衡化功能。
5:注入系統的諧波含量符合GB/T14549-93及用戶的要求。
6:電壓波動及閃變滿足國標及用戶的要求。
7:控制電源:DC/AC220V.
8:頻率:50Hz。
9:安裝方式:可安裝于戶內也可安裝于戶外。
-
用料講究 品質保證
與國內外知名品牌供應商形成戰略合作,成熟,穩定的原材料供應渠道,性能穩定,質量有保障。
封閉設計 安全可靠
封閉式母排結構設計,模塊化組裝,安全整潔,徹底擺脫帶電體裸露、結構散亂、線束纏繞等一系列安全隱患。
-
-
熔絲保護 響應快速
創造性采用熔斷器代替傳統微型斷路器,6KA(Icu)→100KA(Icu)改變的不是一個數字,而是一種安全觀念!
精確投切 無涌流
精確的過零點投切技術,降低電網傳輸損耗,抑制電壓波動,解決電容器鼓肚、電抗器發熱、熔絲斷路的困擾
研發實力
擁有專業的研發技術團隊,專注于無功補償領域的研究,不斷創新
生產實力
5000平方米生產車間,從國外引進 生產設備,滿足任何行業的需求
質量檢測
具備完善的檢測實驗設備,配備專業化質檢人員,質量有保障
貼心服務
安排人員定期巡檢,上門檢修等服務,24h全天候售后服務體系
合肥眾升科技有限公司于2001年8月成立,坐落于安徽省合肥市肥東縣經濟開發區,致力于無功補償領域的研發、設計和生產,是一家擁有自主知識產權的電氣企業。公司先后獲得了中國質量認證中心的ccc認證、ISO9001質量體系認證、國家電器產品質量監督檢驗中心型式試驗的認可。
|
熱線電話:400-176-0551 公司傳真:0551-65372899 客服QQ:2726472126 郵箱:2726472126@qq.com 地址:安徽省肥東縣經濟開發區柳孜路 |
采購:高壓MCR動態無功補償裝置
- *聯系人:
- *手機:
- 公司名稱:
- 郵箱:
- *采購意向:
-
*驗證碼:
跟此產品相關的產品 / Related Products
聯系眾升
服務熱線:400-176-0551- 手機:400-176-0551
- 傳真:0551-65372899
- 客服QQ:2726472126
- 郵箱:2726472126@qq.com
- 地址:安徽省肥東縣經濟開發區柳孜路




合肥眾升科技有限公司

